24小时服务热线

18252324988

您当前位置: 网站首页>产品中心>阀门系列>电动阀
P PRODUCT CENTER 产品中心
流量计
液位/物位计
温度仪表
压力仪表
数显仪表
水质分析检测
阀门系列
缆线桥架系列

电动螺纹式球阀

日期: 2022-04-11   浏览次数: 1897

适用:

制药机械
石油化工
燃气燃油
环保设备
纺织印染

特点:

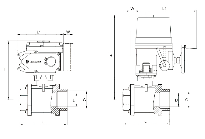
电动螺纹式球阀及对焊连接球阀分为整体式(一片式)、两段式及三段式。
阀体铸造采用台湾引进的先进工艺,结构合理、造型美观。阀座采用弹性
密封结构,密封可靠,启闭轻松。阀杆采用有倒密封的下装式结构,阀腔
异常升压时,阀杆不会被冲出。二片式、三片式球阀连接形式另有对焊(BW)
承焊(SW),并均可带国际标准ISO5211支架平台和锁定装置。可设置90°
开关定位机构,根据需要加锁以防止误操作。

应用行业.jpg

应用模块.jpg

产品简介.jpg

         电动螺纹式球阀采用一体化结构,与JL电动执行机构,有输入控制信号(4~20mA或1~5VDC)及单相电源控制运

转,具有功能强、体积小、轻便、性能可靠、配套简单、流通能力大等优点。特别适合于介质是粘稠、含颗粒,纤维性质的

场合。目前该阀门广泛应用于食品、环保、轻工、石油、造纸、教学和科研设备、电力等行业的工业自动控制系统。

电动螺纹式球阀 广告图.jpg

技术参数.jpg

    技术参数.png

                          20141015142923_45990.jpg

产品选型.jpg

                   规格型号.png


上一页: 法兰式电动球阀

下一页: 电动法兰式硬密封蝶阀

汇通仪表-汇通仪表有限公司 版权声明 苏ICP备12041298号 . 【管理登陆】

苏公网安备32083102000682号